歡迎來到 濟南中創工業測試系統有限公司
更新時間:2019-03-07 瀏覽次數:
汽車氣彈簧抗拉強度(拉力)性能的測試依據行業標準QCT207汽車用普通氣彈簧來試驗。
氣彈簧抗拉強度(拉力)性能試驗機主要適用于汽車普通氣彈簧:自鎖氣彈簧、氣彈簧支撐桿、可控氣彈簧、不銹鋼氣彈簧、氮氣氣彈簧等做抗拉強度、拉伸變形、拉伸剛度、拉力位移、拉伸負荷、承載力等性能測試。
汽車氣彈簧在做抗拉強度性能試驗時需滿足哪些要求呢?
1、氣彈簧應符合標準規定,并按照經規定程序批準的圖樣及技術文件制造。
2、氣彈簧的安裝長度公差應符合QC/T 29087的A級。
3、氣彈簧的外形應光潔、平整,沒有毛刺。
4、氣彈簧活塞桿的鍍層應均勻,不允許存在可見的裂紋、起泡、麻點、起層等缺陷。
5、除活塞桿外的其它零件鍍層應均勻:不允許存在局部無鍍層、明顯的裂紋、起泡、粗糙等缺陷。
6、氣彈簧的涂覆層應均勻,不允許存在露底、起皺、起泡、剝落等缺陷。
7、工作溫度范圍:一40℃~80℃。
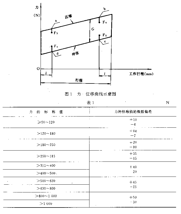
氣彈簧做抗拉強度(拉力)試驗時,力的標稱值極限偏差應滿足下表要求:
氣彈簧抗拉強度(拉力)測試方法:
將氣彈簧的兩端連接部位固定在氣彈簧性能試驗機上,施加表2規定的拉力試驗。
|
受拉部件比較小截面尺寸 |
拉力 |
|
M5 |
2000 |
|
M6 |
3000 |
|
M8 |
4500 |
|
M10 |
6000 |
|
M12 |
10000 |
表2
試驗后,根據以下步驟測試:
試驗條件:溫度20±2℃,放置4h后進行測量,測試速度為500 mm/min。
試驗方法:將氣彈簧的活塞桿朝下垂直裝夾于氣彈簧性能試驗機上,進行不少于3個循環的運行,同時觀察氣彈簧活塞桿有無卡滯或明顯的振動。如無異常,則開始測量并記錄力一位移曲線,各點F力按下述方法測量:
按規定的L距離壓縮氣彈簧活塞桿到a點,停留3s;記錄F3力的數值。
壓縮氣彈簧活塞桿到b點,停留3s;記錄F4力的數值。
氣彈簧活塞桿伸張到c點,停留3s;記錄F2力的數值。
氣彈簧活塞桿伸張到d點,停留3s;記錄F1力的數值。

銷售總機:0531-85990007 傳真:+86-531-85997770
郵箱:jnzcgy@163.com Skype:jnzcgy_zjc@hotmail.com
售后電話:0531-62302272 售后:jnzcgy_service@163.com
地址:山東省濟南市槐蔭經濟開發區西沙路690號
版權所有:濟南中創工業測試系統有限公司 | 魯ICP備10018659-1號